Помощь
-
Поиск
-
Пользователи
-
Календарь
Полная версия:
Кулисный механизм ( Сообщение # 163669 by Сева ) > Кинематика
Образовательный студенческий форум
>
Теоретическая механика
>
Кинематика
Сева
19.11.2024, 6:30
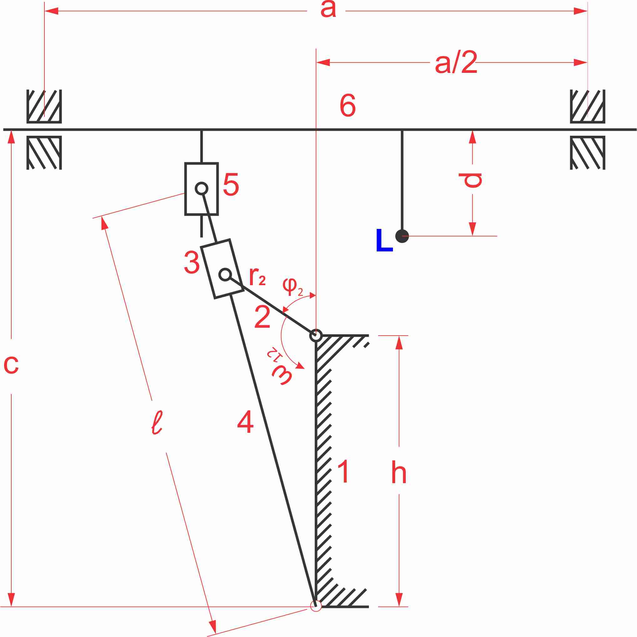
В кулисном механизме необходимо определить линейную скорость точки L элемента 6. Если я правильно понимаю, она равна линейной скорости верхней точки кулисы 4. Поправьте меня.
Нажмите для просмотра прикрепленного файла
Это текстовая версия — только основной контент. Для просмотра полной версии этой страницы, пожалуйста,
нажмите сюда
.
Русская версия Invision Power Board © 2001-2026
Invision Power Services, Inc.