Мануал ОУ LM4765

на схеме в мануале есть два значения Vcc=+28 В и Vee=-28В

ВОПРОС!

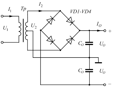
Мне нужна мостовая схема со средней точкой или просто мостовая схема?

если я правильно схему подключения нарисовал, то на какое напряжение нужно рассчитывать источник питания - Uo или Uo/2?

Нажмите для просмотра прикрепленного файла Нажмите для просмотра прикрепленного файла