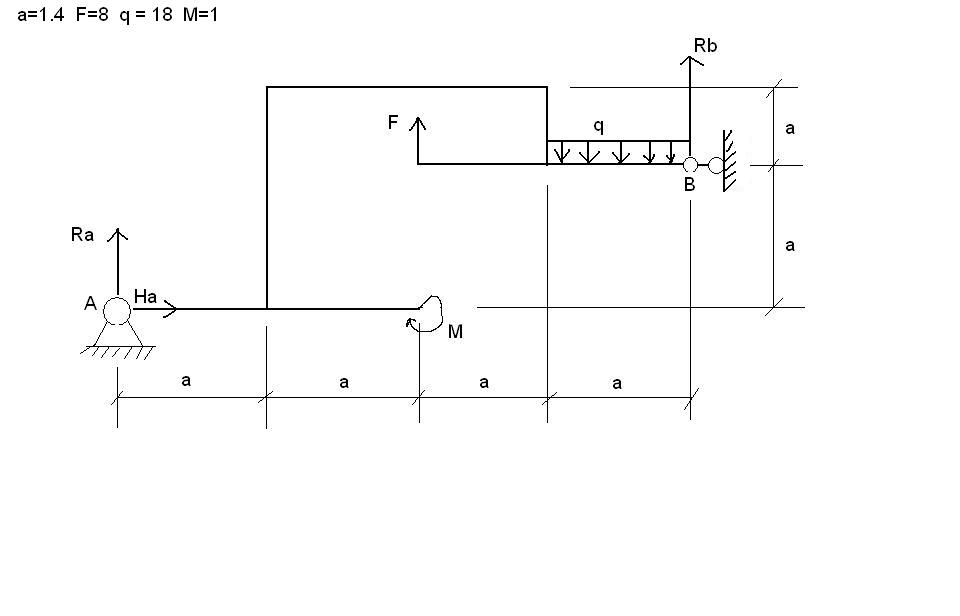
Помогите написать уравнения равновесия для Ra , Rb, Ha а то у меня не получается
т.е. сумма Ма = 0
сумма Fx=0
сумма Fz=0
сумма Mb=0 (для проверки)
Нажмите для просмотра прикрепленного файла
Σ Fz=0
Ra+F-qa+Rb=0
Ra=-F+qa-Rb
Σ Fx=0
Ha=0
а как составить уравнения для сумма Ма=0 и сумма Mb=0
????
